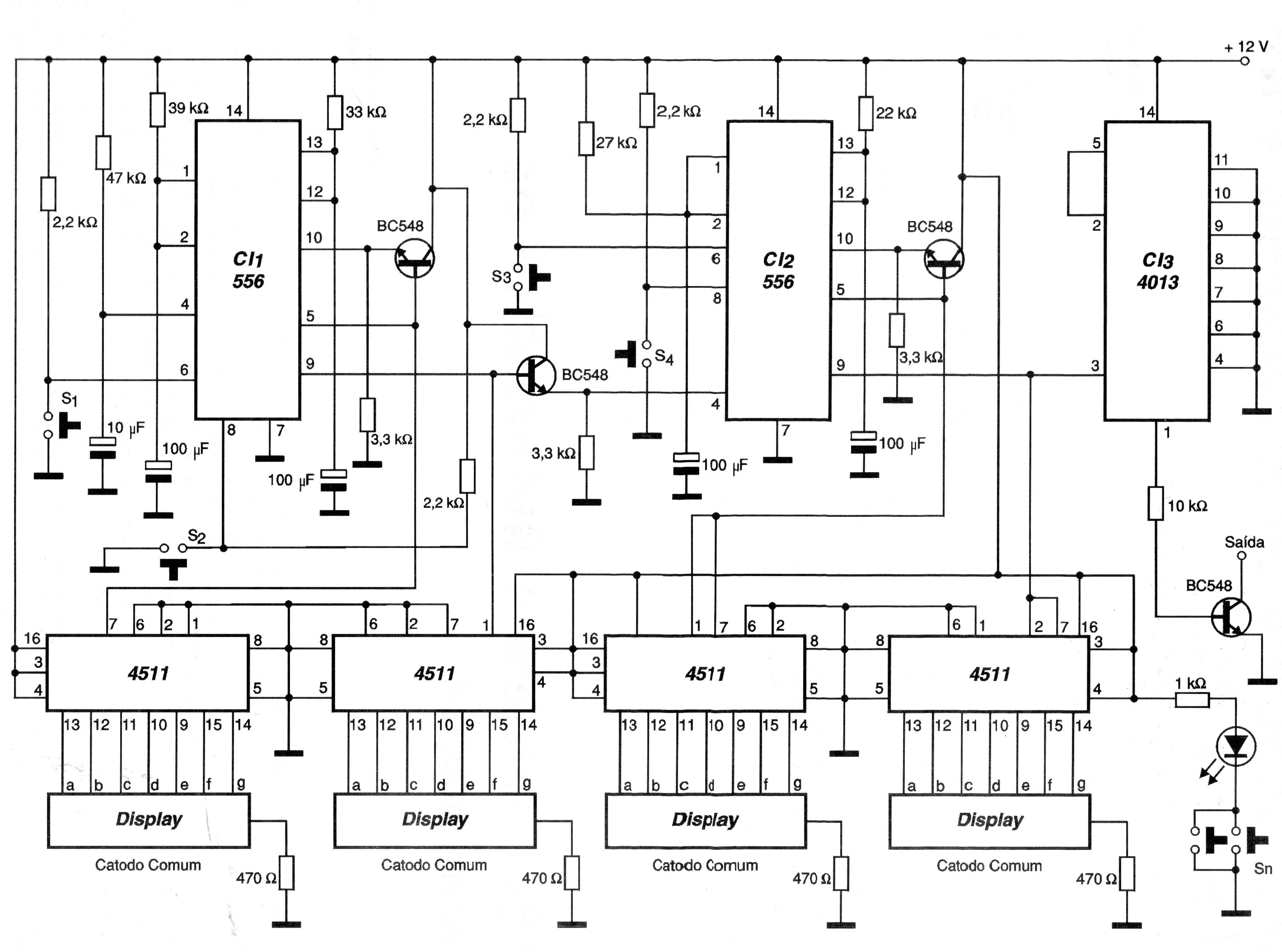
Este circuito da una indicación visual de la secuencia digitada a través de cuatro displays de 7 segmentos de cátodo común. El circuito debe ser alimentado por fuente de 12 V y la salida debe ser aplicada a un dispositivo de seguridad, cerradura, por ejemplo. El circuito es de una documentación de 2001.




