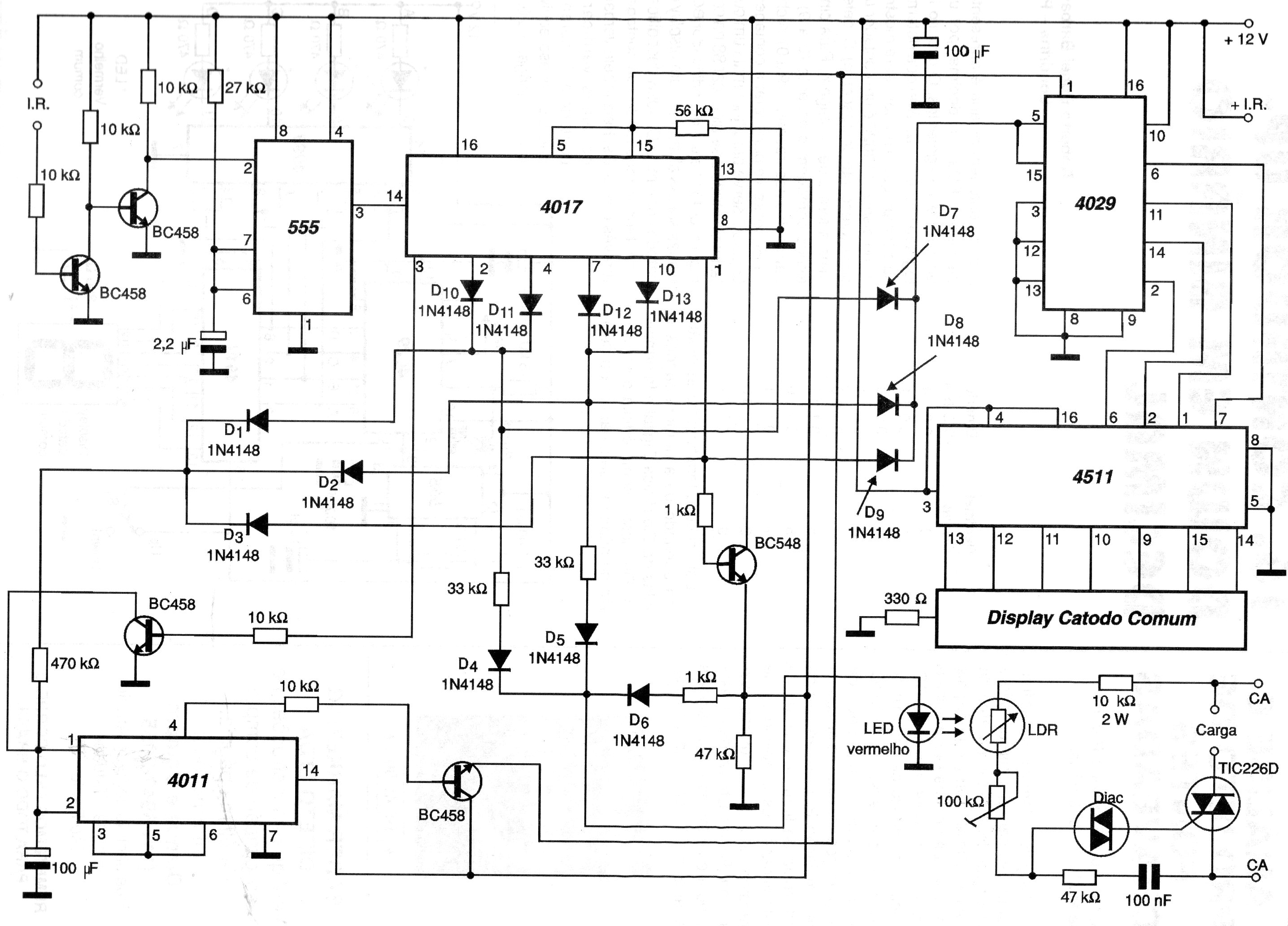
Este circuito controla automáticamente el grado de iluminación. Como el circuito es de 2001, sólo se aplica a las bombillas incandescentes, pero ciertamente el lector encontrará aplicaciones interesantes para él. El circuito se basa en tecnología CMOS debiendo ser alimentado por una tensión de 12 V.




