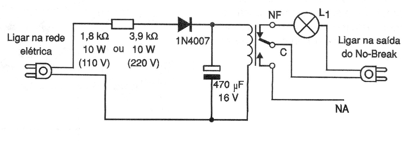
La idea de este circuito es utilizar un SAI de computadora para alimentar una luz de emergencia cuando falta energía. El circuito puede alimentar cualquier tipo de lámpara a 110 V y su autonomía será tanto mayor cuanto menor sea el consumo de la lámpara. El relé es del tipo sensible a 12 V.




