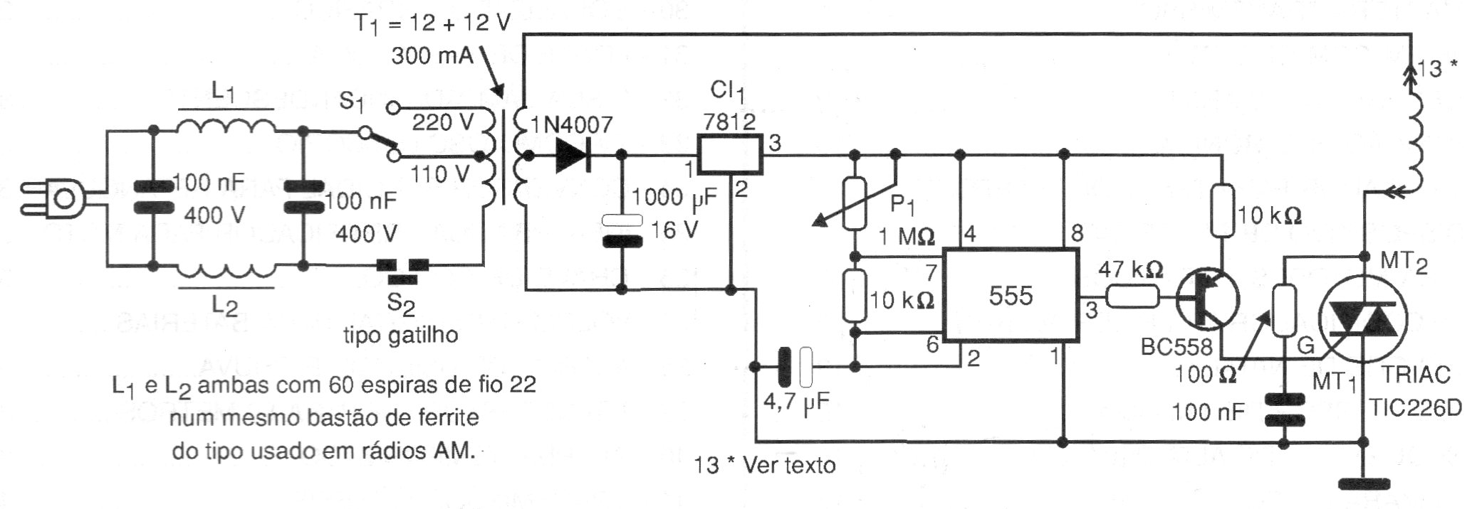
Si bien los cinescopios ya no se ubican en monitores y televisores, el lector puede necesitar este circuito si está recuperando un equipo antiguo. El circuito es de 1999 y utiliza como generador de pulsos un 555 acoplado a un triac. La bobina original del aparato debe apagarse para utilizar este aparato.




