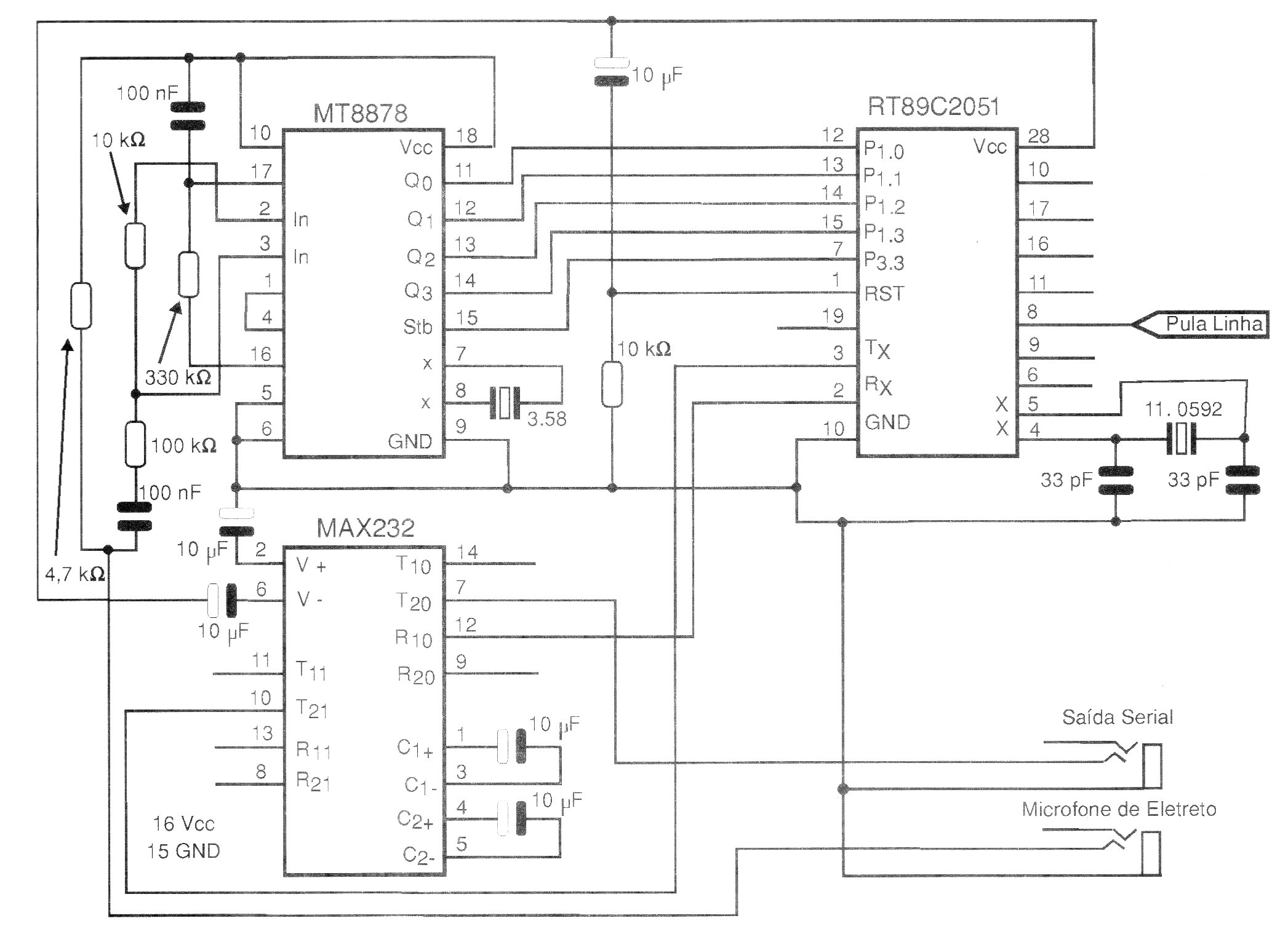
Los circuitos integrados usados en este proyecto de 1999 no son muy comunes actualmente. Sin embargo, se pueden utilizar en esta aplicación de decodificación de señales DTMF en un escudo interesante para PC o incluso microcontroladores, con algunas adaptaciones.




