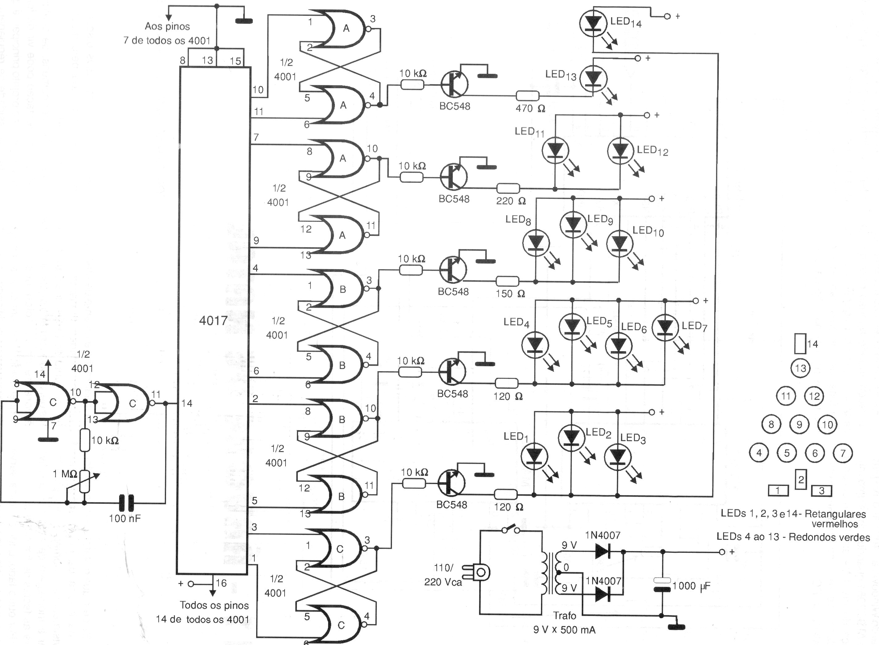
Este circuito interesante de árbol de navidad electrónica usando LEDs e integrados CMOS fue encontrado en una documentación de 1999. Alimentado por tensiones de 6 a 12 V o por la fuente dada junto al diagrama, hace que se obtengan efectos especiales en un conjunto de LEDs dispuestos en la forma de un árbol de navidad.




