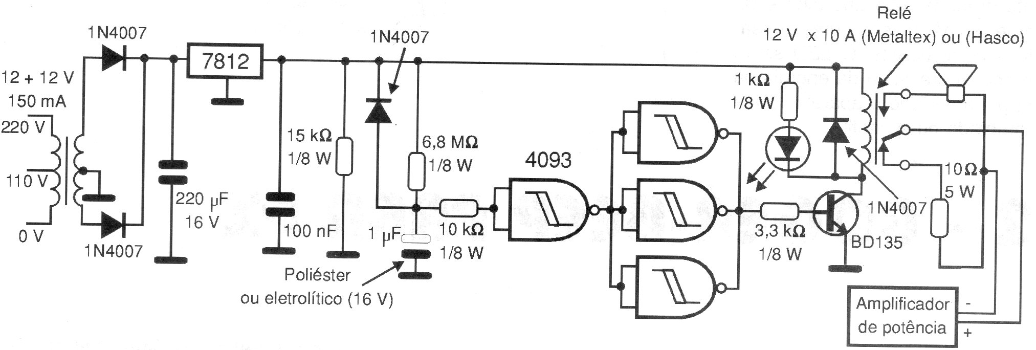
Este circuito, que se encuentra en una documentación de 1999, evita que el altavoz se conecte tan pronto como el amplificador esté conectado, evitando así picos de corriente que puedan dañarlo. El retardo es dado por el capacitor de 1 uF. El relé debe tener contactos de acuerdo con la corriente de pico del amplificador, normalmente del orden de 10 A.




