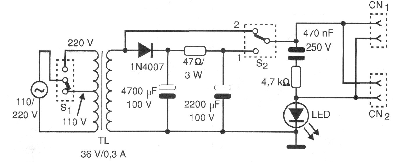
Con este simple circuito es posible simular una línea telefónica para la realización de reparaciones en aparatos telefónicos. El transformador debe ser de 36 V y el diodo puede ser también el 1N4004.
Con sólo un transistor (PNP o NPN) usted puede hacer un teléfono de juguete con buen rendimiento gracias...
En la figura 1 tenemos un oscilador controlado a cristal que puede generar señales en el rango de...
Este circuito se destina al control de cargas de corriente continua en el rango del 0 a 15 V con...