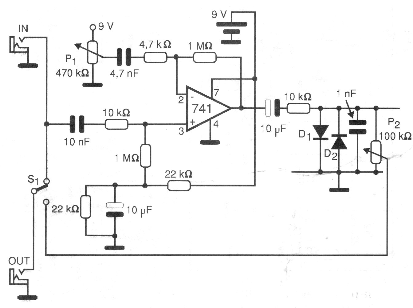
Este simple circuito de efectos se intercalará entre el instrumento y el amplificador. Su alimentación se realiza por batería de 9 V para minimizar el efecto de ruidos y los cables de entrada y salida deben ser blindados. El efecto se controla en dos potenciómetros.




