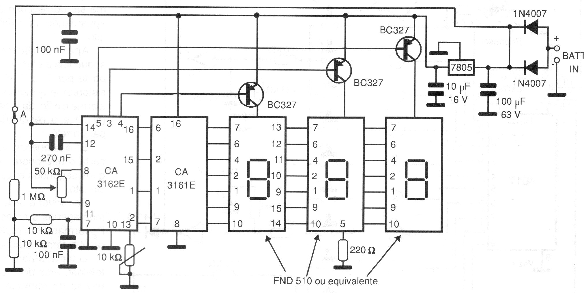
Los circuitos integrados usados en este voltímetro ya no son más comunes actualmente, habiendo cierta dificultad para su obtención. El circuito de 3 dígitos indica la tensión de una batería de 12 V que está programada por los resistores de 1 M y 10 k en la entrada del CA3162. El circuito utiliza displays de cátodo común, que se encuentra en una documentación de 1999.




