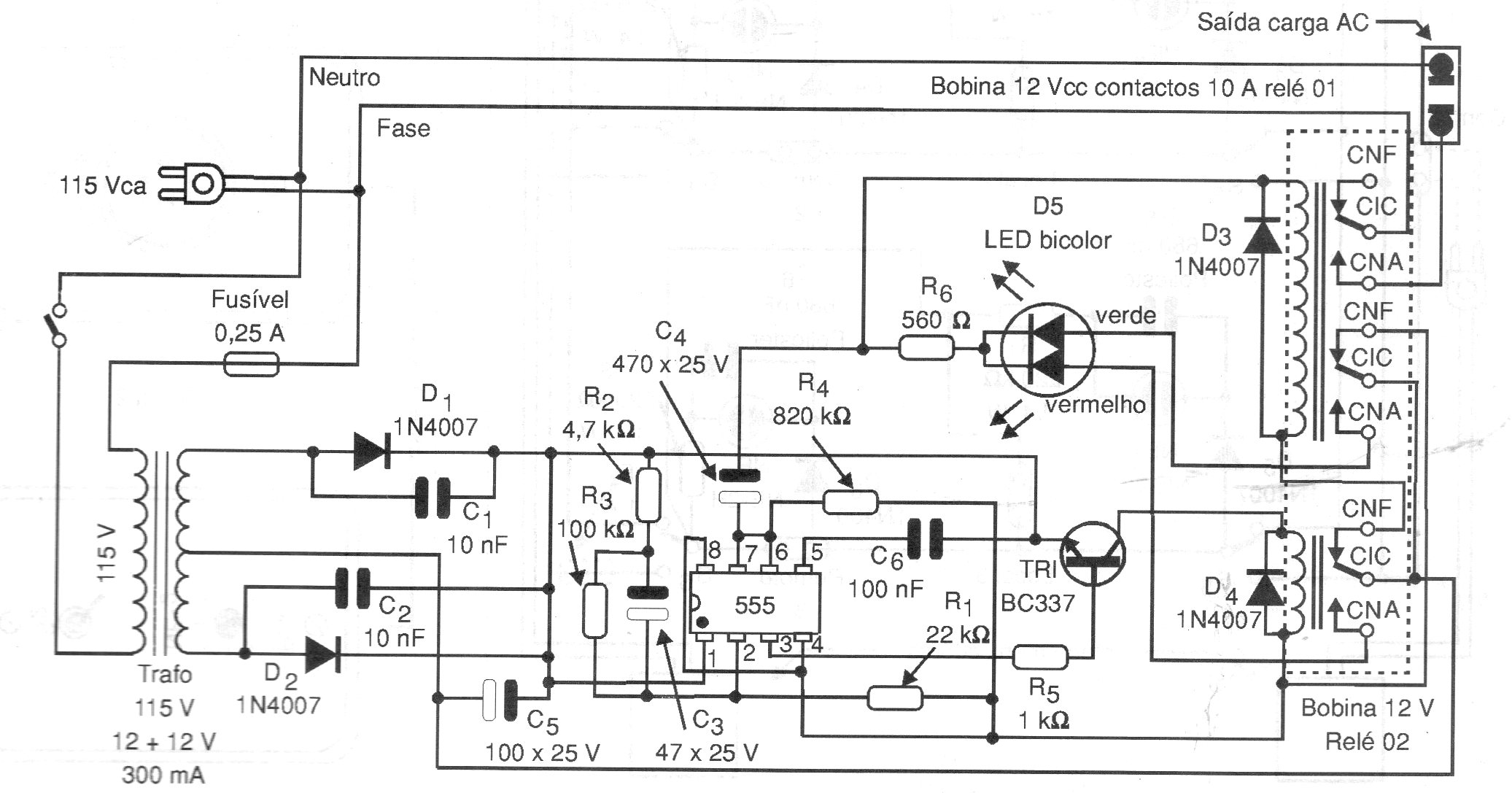
Este circuito desactiva los aparatos alimentados por la red de energía de modo que en la vuelta de la energía ellos no reciben transitorios que ocurren en este instante. El circuito tiene como base un 555 y un relé que controla la alimentación del aparato que debe ser protegido. El circuito fue encontrado en una documentación de 1999.




