Este proyecto utiliza sólo dos componentes se pueden utilizar para ajustar el brillo de una bombilla incandescente estándar. En una sala o el dormitorio, que nos permite elegir entre potencia máxima y menos energía para la iluminación ambiente.
El circuito mostrado en la Figura 1 sólo funciona con las bombillas incandescentes, no se debe utilizar con lámparas fluorescentes o electrónicas.

Una ventaja de este circuito es que la posición de menos potencia han reducido el consumo de la lámpara, que cae para alrededor del 50%.
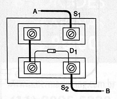
El conjunto se puede hacer mediante el aprovechamiento del mismo lugar donde hay un interruptor en la pared, que se sustituye con un interruptor doble, como se muestra en la Figura 2.

El diodo está montado en el propio interruptor que controla el nivel de iluminación, y mientras que el otro sirve para encender y apagar la lámpara.
El diodo se indica para 1 A, lo que significa que las lámparas que pueden ser controlada en la red de 110 V son hasta 100 W y dos veces en la red de 220 V, para 1 x 220 V = 220 W.
Recomendamos 1N4004 a la red de 110 V y 1N4007 para la red de 220 V.
No será necesario observar la polaridad de este componente en el ensamblaje.
D1 - 1N4004 o 1N4007 - véase el texto
S1, S2 - Interruptor SPST



