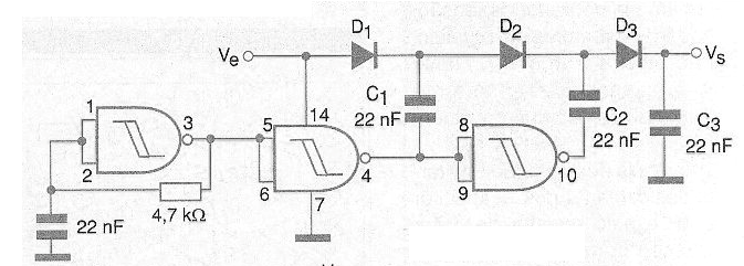
Este circuito consiste en un plegado de estado sólido que dobla la tensión V de alimentación entre 5 y 15 V. La corriente es muy baja y el resistor de 4k7 junto con el capacitor en los pinos 1 y 2 determinan la frecuencia de operación. El circuito integrado utilizado es el 4093.




