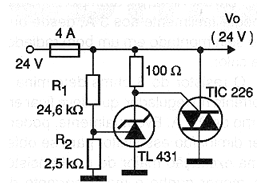
En el circuito mostrado en la figura, cuando la tensión de entrada sube a 27 V, el TL431 dispara el triac que provoca un cortocircuito en la alimentación. Con este cortocircuito tenemos la quema inmediata del fusible, protegiendo así el circuito alimentado. La tensión en que ocurre el disparo es programada por los resistores R1 y R2, cuyos valores pueden ser alterados en función de la aplicación. Como el pulso conducido por el triac es muy corto, no hay necesidad de montar ese componente en radiador de calor. Por supuesto, otros triacs se pueden utilizar para obtener una corriente de corto más grande, en cuyo caso el fusible puede ser aumentado. Este fusible tiene justamente ese valor determinado por la intensidad de la corriente normal del circuito alimentado. De la misma forma, se puede hacer otra programación de disparo en función de la tensión nominal del circuito alimentado.




