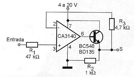
Para aumentar la capacidad de control del CA3140 se puede utilizar un circuito amplificador, como el de la figura. Este circuito permite controlar cargas de hasta 100 mA. Se pueden utilizar transistores de mayor potencia o Darlington para obtener corrientes aún mayores para la salida.




