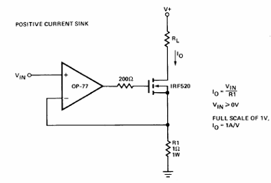
En las figuras 1 y 2 tenemos dos drenajes de corriente que pueden ser elaborados con amplificadores operacionales y transistores de efecto de campo de potencia. El circuito de la figura 1 es un desagüe de corriente con las características de operación mostradas en el propio diagrama.

Por otro lado, el circuito de la figura 2 consiste en una fuente de corriente con las características también dadas en el diagrama. Para los dos circuitos los transistores de efecto de campo de potencia deben ser montados en disipadores de calor apropiados. Las fuentes de alimentación para los dos circuitos deben ser simétricas y equivalentes pueden ser experimentadas, siempre que tengan las mismas características.




