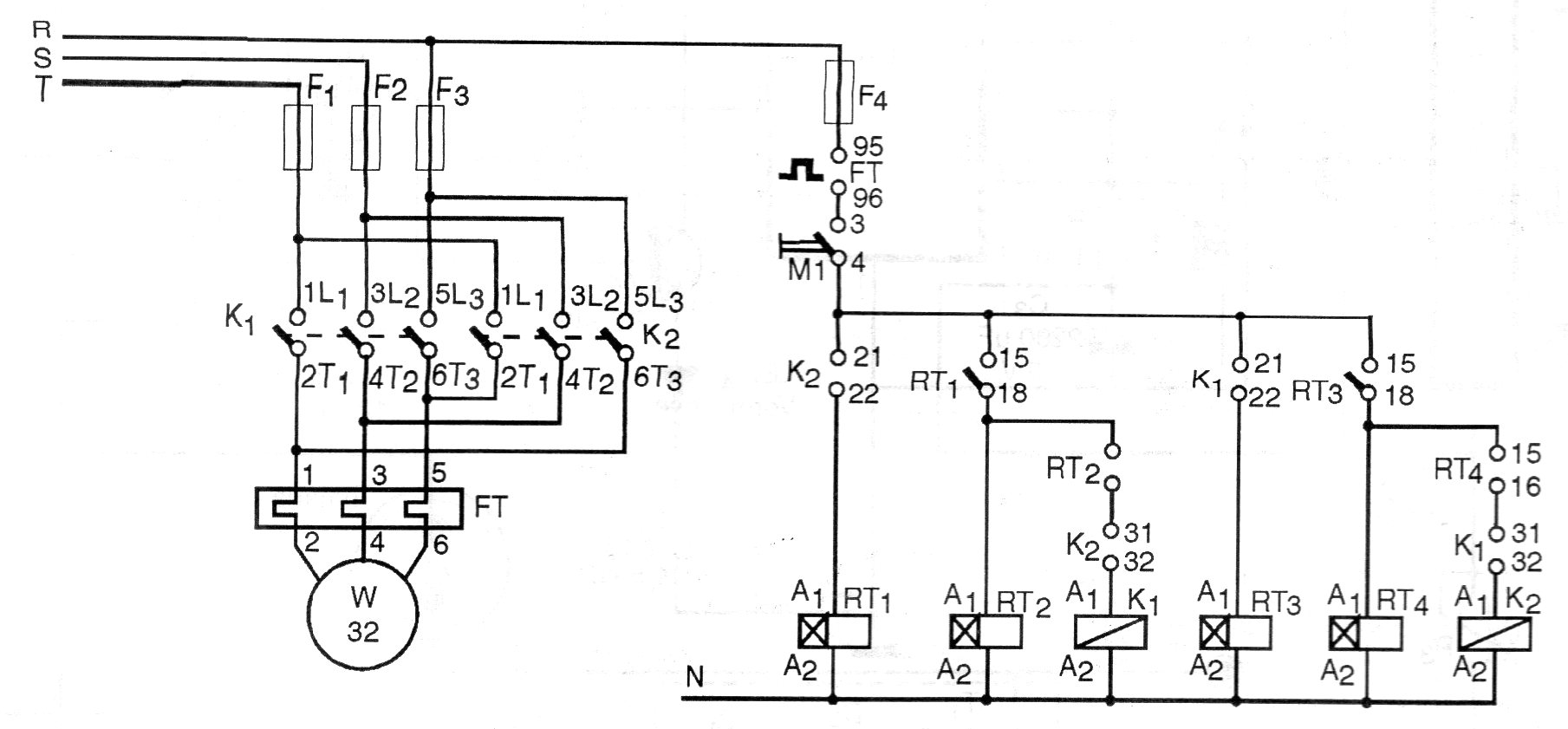
Encontramos este circuito en una documentación de 1997. Con él es posible invertir de forma automática el sentido de rotación de un motor trifásico. El circuito utiliza temporizadores y contactores de WEG.
Con sólo un transistor (PNP o NPN) usted puede hacer un teléfono de juguete con buen rendimiento gracias...
En la figura 1 tenemos un oscilador controlado a cristal que puede generar señales en el rango de...
Este circuito se destina al control de cargas de corriente continua en el rango del 0 a 15 V con...