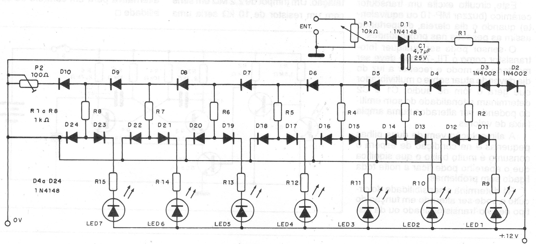
Este circuito es de 1993, pero por su simplicidad se puede agregar a cualquier amplificador. R1 depende de la potencia del amplificador, pudiendo tener valores entre 100 ohms hasta 1 k. El lector debe hacer experimentos y el potenciómetro P1, preferiblemente debe ser de cable para los amplificadores de mayor potencia.




