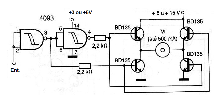
Este circuito tiene sólo dos estados posibles 1 o 0 en la entrada, con el motor girando en un sentido u otro. Para parar o colocar un comando adicional, por ejemplo, con relé o transistor en serie con la alimentación. La alimentación del circuito integrado debe realizarse con la misma tensión de salida utilizada en el microcontrolador. Los transistores deben estar dotados de disipadores de calor. Los transistores equivalentes de mayor corriente como los TIP31 pueden ser usados.




