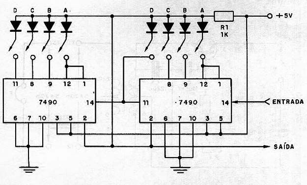
El ajuste de las claves lógicas permite programar la frecuencia de división de una señal TTL hasta 99 en este circuito. Así que si queremos dividir 51 simplemente programar las teclas de 0101 y 0001. Los diodos pueden ser tipos usados comúnmente como el 1N4148 o 1N914 y la alimentación debe ser hecha con 5 V de tensión. Pueden ser usados más contadores para una división por 3 dígitos o más valores.




