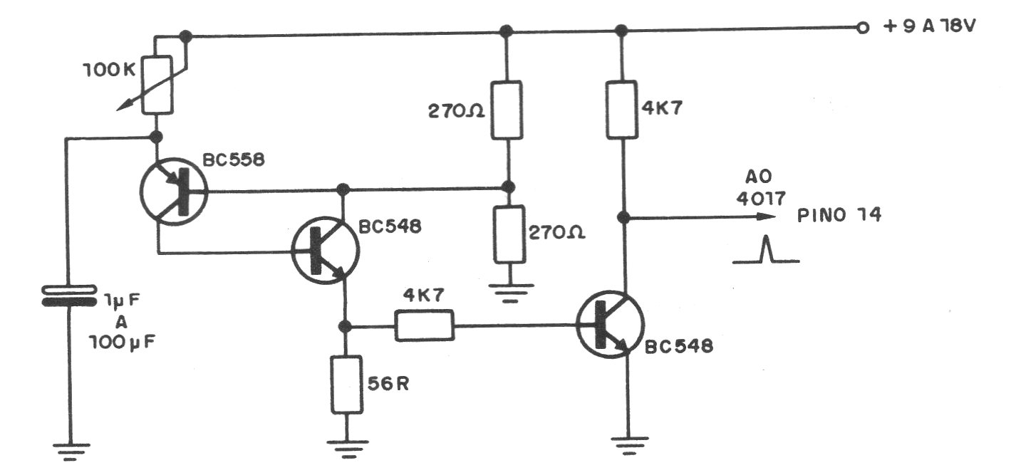
El integrado 4017, un contador C-MOS, es de los más populares en el diseño de secuenciales, contadores, divisores de frecuencias, temporizadores de largo período, shileds, etc. Sin embargo, para que él "funcione" es necesario aplicar pulsos de ciertas características en su entrada (pin 14) ya menudo dependiente de la finalidad dada. En la figura damos un circuito transistorizado para la excitación del 4017 en bajas frecuencias, que pueden ser ajustadas desde fracción de Hertz (para timers y secuenciales lentas) hasta algunas decenas de kilohercios (para contadores y divisores). Los dos primeros transistores funcionan como un oscilador de relajación en el que la frecuencia depende del potenciómetro de 1ook y de los valores de los condensadores. Usamos capacitores más pequeños para frecuencias más altas. El tercer transistor funciona como conductor, pudiendo de su colector ser quitado el pulso agudo que excita el 4017.




