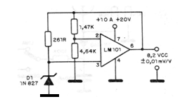
El circuito presentado sirve de referencia de tensión para ajuste de instrumentos. El diodo utilizado como referencia es del tipo con compensación de temperatura, no debiendo ser sustituido. Los resistores utilizados son de 1% de tolerancia, requisito importante para un circuito de precisión como éste.




