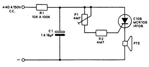
El resistor R1 y el capacitor C1 determinan la frecuencia de este oscilador. El capacitor C1 junto con el ajuste del trimpot determinan la intensidad de los impulsos producidos y también, de cierto modo, influyen en la frecuencia. Este oscilador se recomienda para la producción de pulsos a razón de uno cada 10 minutos hasta frecuencias de algunos centenares de Hertz.




