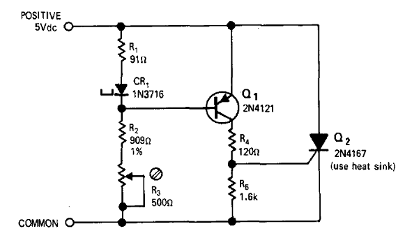
Este circuito se dispara quemando un fusible de entrada cuando la tensión monitoreada supera los 5 V. El SCR admite equivalentes y el transistor puede ser el BC558. El circuito es de una documentación americana de los años 70.

Este circuito se dispara quemando un fusible de entrada cuando la tensión monitoreada supera los 5 V. El SCR admite equivalentes y el transistor puede ser el BC558. El circuito es de una documentación americana de los años 70.
