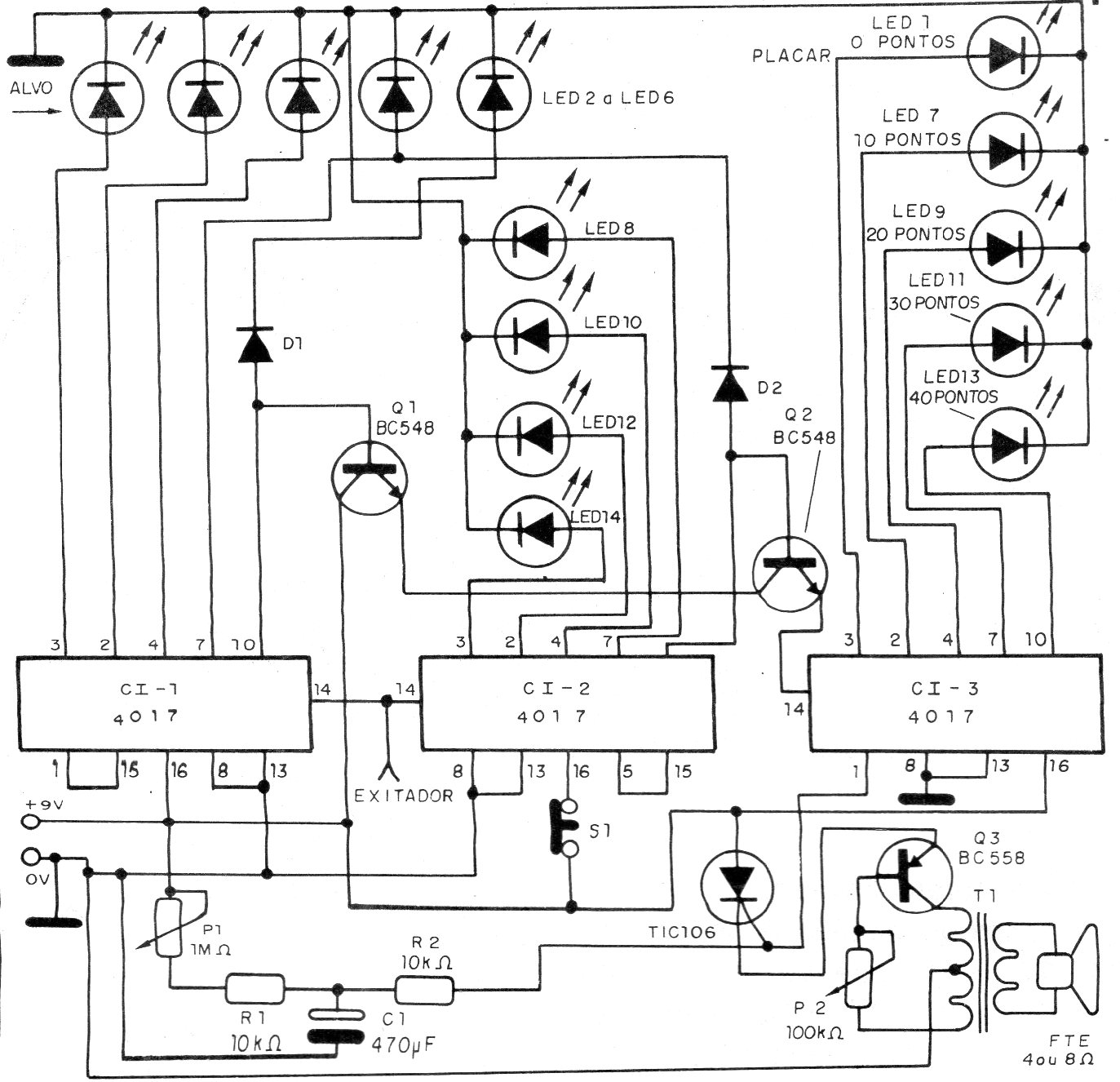
El tiro al blanco digital mostrado en las figuras (arma y blanco) fue encontrado en una documentación de 1992, pero puede ser montado con facilidad pues todos los componentes todavía son comunes todavía hoy. El circuito es alimentado por una tensión de 9 V y el arma consiste en un simple gatillo que debe presionarse en el instante correcto. El ajuste del aparato se realiza en los trimpots.




