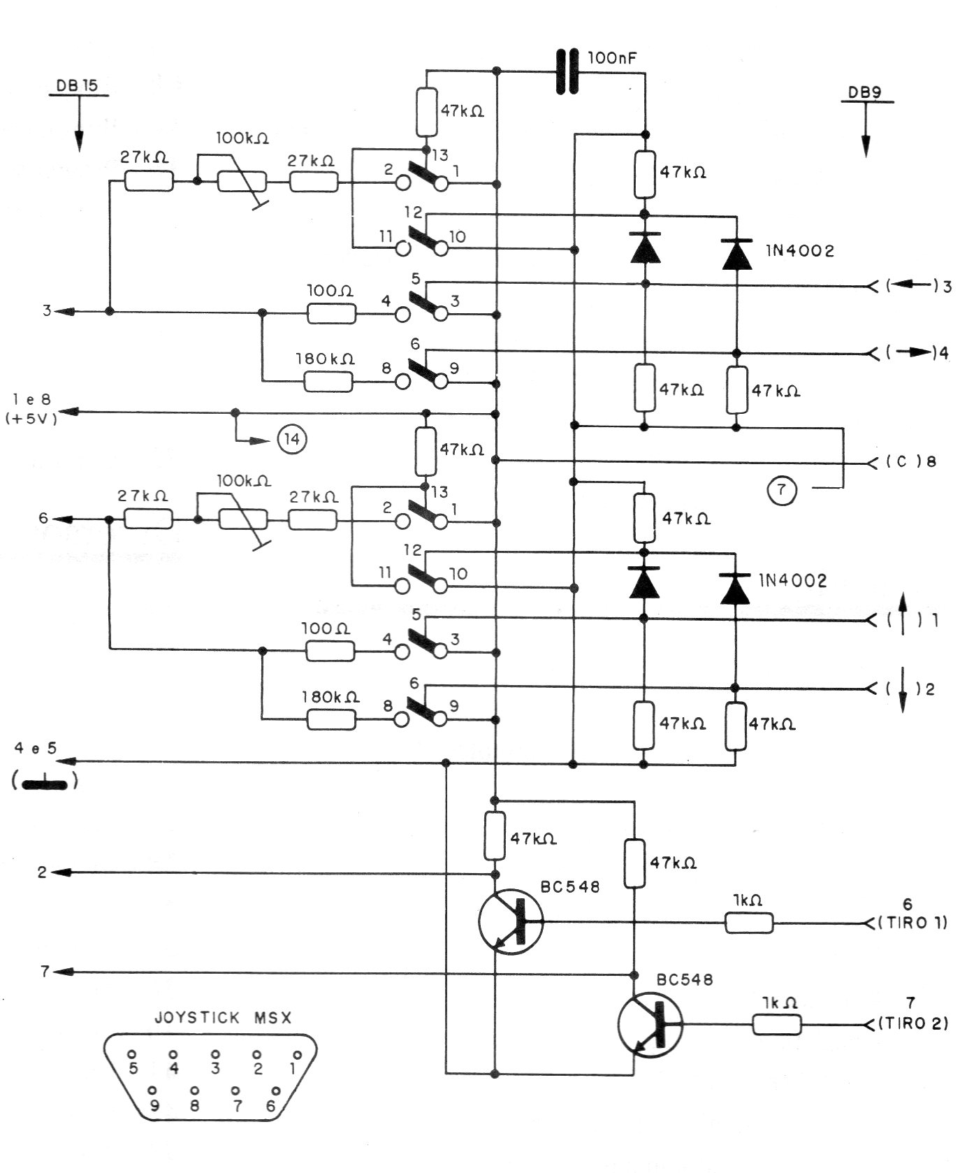
Este artículo es antiguo, de 1994. Pero, para quien tiene un antiguo PC y desea usar un joystick del antiguo MSX en un juego electrónico u otra aplicación, por ejemplo en robótica y control, aquí está el modo de hacerlo. El circuito utiliza componentes comunes y las conexiones en la DB-9 se muestran en la misma figura.




