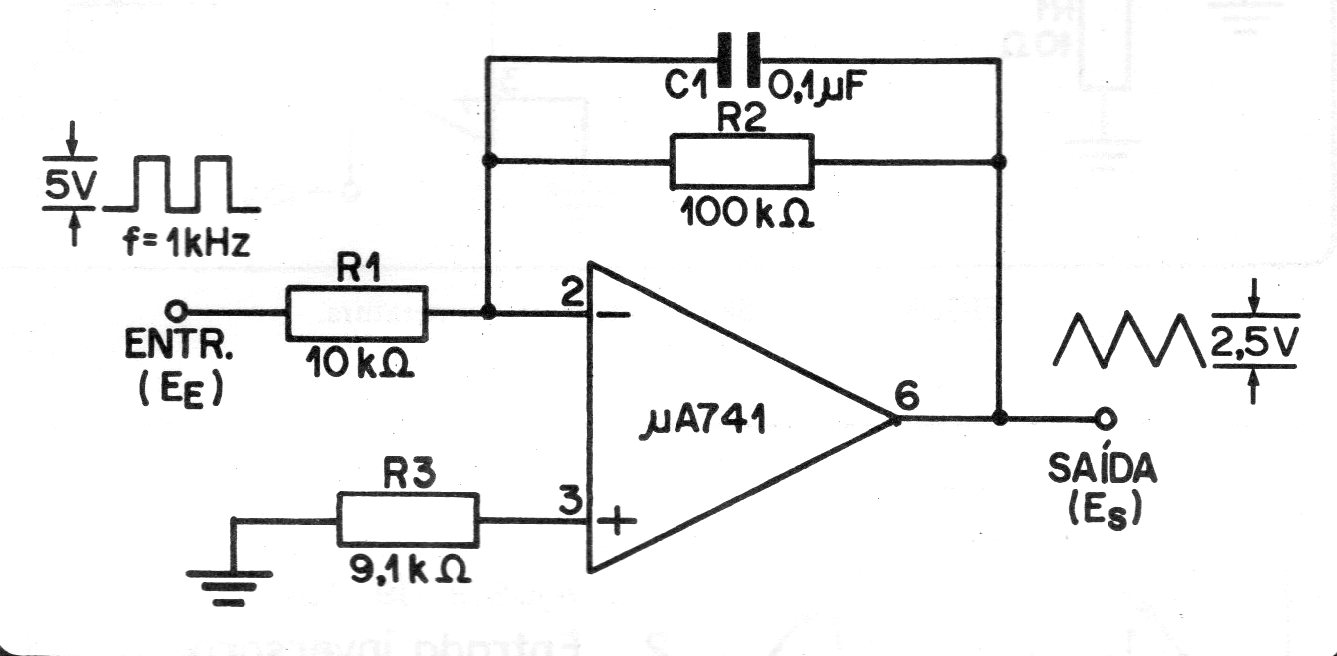
Este es uno de los muchos circuitos integradores con operacionales que el lector puede encontrar en el sitio. La fuente de alimentación debe ser simétrica y los valores de los componentes (C1) se dan a una frecuencia de 1 kHz.
Con sólo un transistor (PNP o NPN) usted puede hacer un teléfono de juguete con buen rendimiento gracias...
En la figura 1 tenemos un oscilador controlado a cristal que puede generar señales en el rango de...
Este circuito se destina al control de cargas de corriente continua en el rango del 0 a 15 V con...