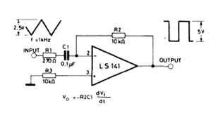
El circuito integrado LS141 es bastante similar al 741, El circuito es del manual de circuitos integrados lineales de la SGS de 1982. La fórmula junto al diagrama se utiliza para calcular R2 y C1 según la frecuencia.

El circuito integrado LS141 es bastante similar al 741, El circuito es del manual de circuitos integrados lineales de la SGS de 1982. La fórmula junto al diagrama se utiliza para calcular R2 y C1 según la frecuencia.
