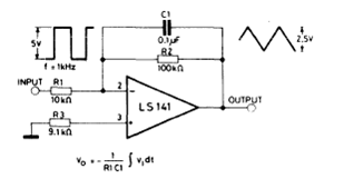
Este circuito es del manual de circuitos integrados lineales de la SGS de 1982. El LS141 es similar al 741 y la fuente de alimentación debe ser simétrica. Junto al diagrama la fórmula que describe la operación del circuito.

Este circuito es del manual de circuitos integrados lineales de la SGS de 1982. El LS141 es similar al 741 y la fuente de alimentación debe ser simétrica. Junto al diagrama la fórmula que describe la operación del circuito.
