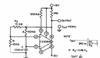
Este circuito tradicional es de una publicación técnica de la RCA de 1972. El circuito puede ser desarrollado con operativos más modernos. Las fórmulas se dan junto al diagrama y la fuente de alimentación debe ser simétrica. La frecuencia máxima depende del funcionamiento utilizado.




