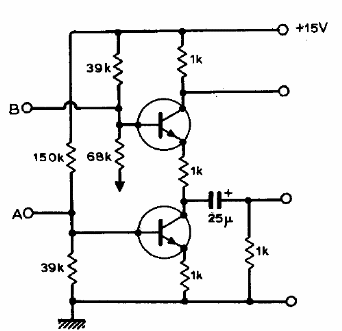
Los transistores del circuito, encontrado en una documentación de 1974, pueden ser los BC548. El circuito se emplea en sistemas cuadrafónicos para la combinación de señales.

Los transistores del circuito, encontrado en una documentación de 1974, pueden ser los BC548. El circuito se emplea en sistemas cuadrafónicos para la combinación de señales.
