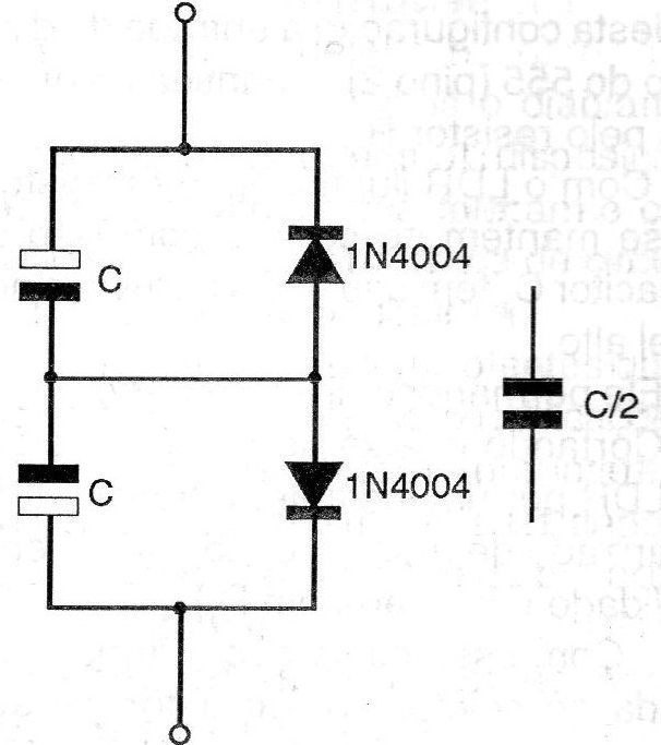
Podemos utilizar capacitores electrolíticos de gran valor en circuitos de corriente alterna con la configuración mostrada en la figura. La capacitancia obtenida, para dos capacitores iguales asociados será equivalente a la mitad del valor de esos capacitores. Los capacitores deben tener una tensión de trabajo mayor que el valor de pico de la tensión alterna en que se pretende usarlos.




