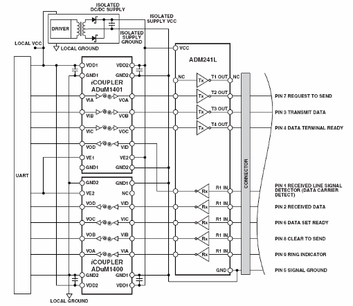
En las aplicaciones críticas de la interfaz RS-232, el peligro de tensiones inducidas en los cables debe ser considerado. Una manera de evitar el problema es a través del uso de aisladores ópticos. Analog Devices (www.analog.com) en su Application Note AN-740 da circuitos prácticos para esta finalidad con excelentes explicaciones sobre el funcionamiento de este tipo de interfaz. Teniendo en cuenta que los acopladores ópticos digitales comunes no soportan señales del estándar RS-232, el proyectista debe estar atento en la elección del dispositivo correcto para el proyecto. En el circuito presentado en la figura. En el circuito presentado, los transceptores RS-232 utilizan lógica digital con señales entre 0 y 5V o 0 a 3 V, siendo conectados a una UART o procesador. El proyecto presentado utiliza un acoplador óptico de Analog especialmente diseñado para este propósito. Observe que el diagrama de fuente también se incluye.




