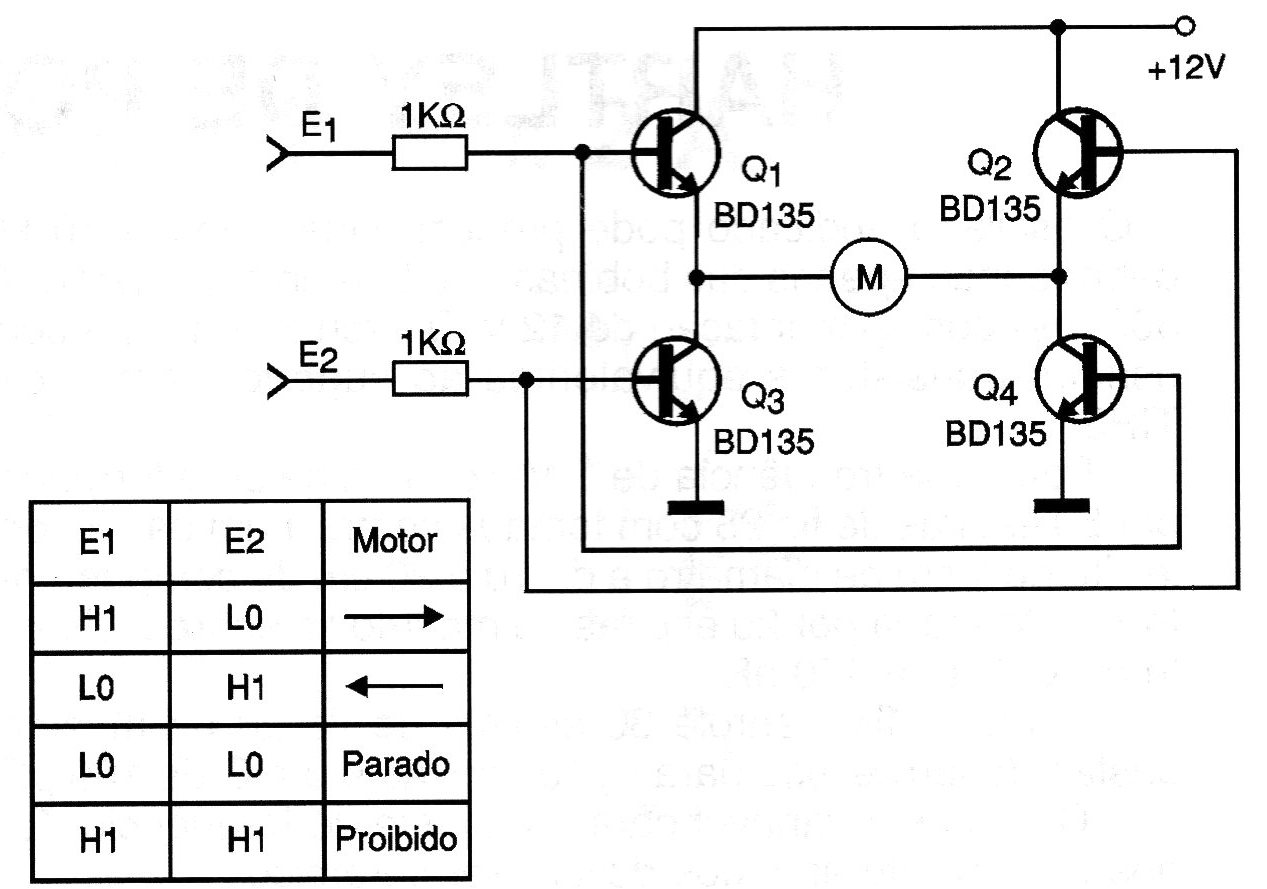
Un motor de hasta 500 mA puede ser controlado por los niveles lógicos aplicados en la entrada, de este circuito, conforme la tabla dada junto al diagrama. Para las corrientes más grandes se pueden utilizar transistores como el TlP31 o incluso el TIP41, e incluso Power-FET. Los transistores deben estar dotados de radiadores de calor y el circuito funciona con tensiones de 6 a 12 V. La entrada es compatible con lógicas TTL y CMOS. El circuito puede funcionar como shield para microcontroladores.




