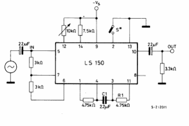
El circuito integrado utilizado no es muy común actualmente y la ganancia de tensión es unitaria. El circuito es del manual de circuitos integrados lineales de la SGS de 1982. La alimentación puede ser hecha con tensiones de 9 a 12 V.

El circuito integrado utilizado no es muy común actualmente y la ganancia de tensión es unitaria. El circuito es del manual de circuitos integrados lineales de la SGS de 1982. La alimentación puede ser hecha con tensiones de 9 a 12 V.
