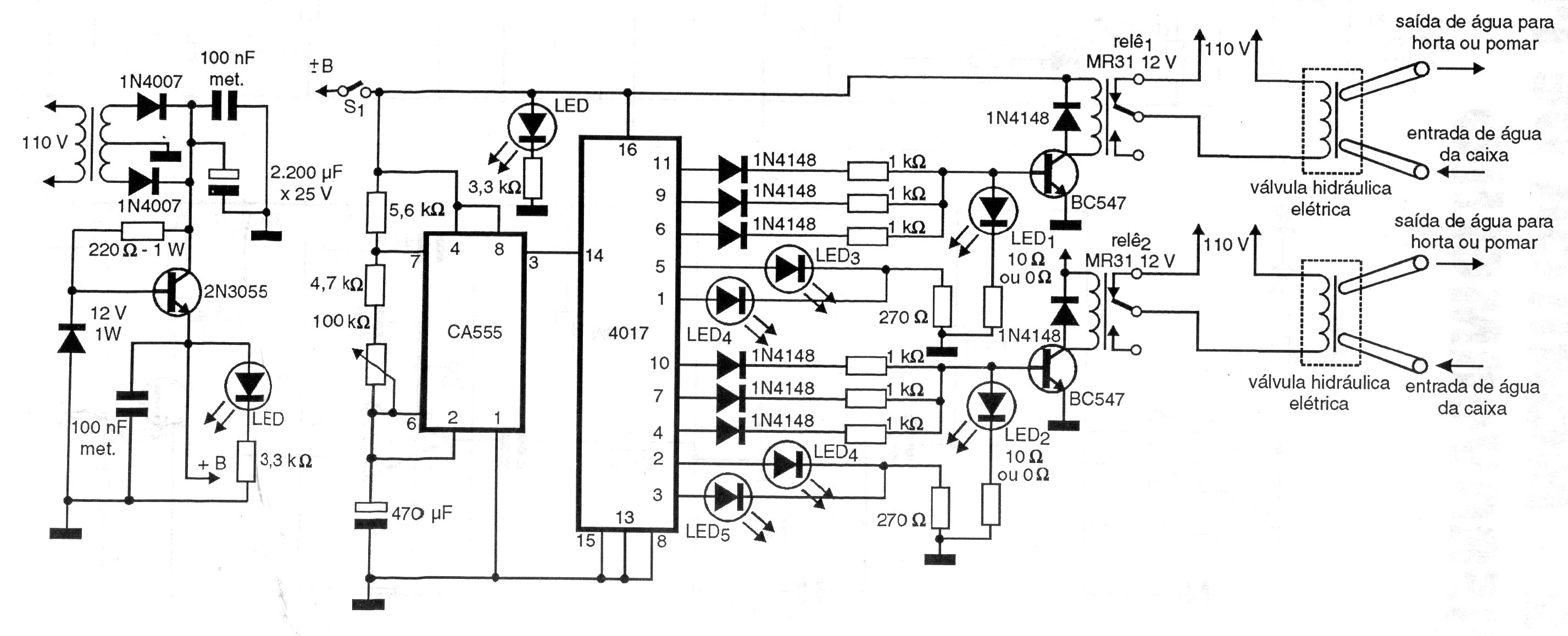
Este circuito, encontrado en una documentación de 1998, acciona de modo automático válvulas solenoide en un sistema de riego. El circuito consiste en un temporizador para accionamiento con tiempos programados por el potenciómetro junto al 555.
El circuito que veremos a continuación utiliza un elemento de la familia de los semiconductores que aún no es...
Con el circuito mostrado en la figura 1 es posible convertir una fuente común en una fuente...
Muchos proyectos que utilizan circuitos integrados de amplificadores operacionales, como el 741,...