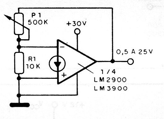
En la figura tenemos un circuito que nos permite obtener una tensión variable de aproximadamente 0,5 a 25 V, usando uno de los cuatro amplificadores disponibles en los LM3900 y LM2900. El potenciómetro P1 permite ajustar esta tensión con precisión y la alimentación se realiza con una fuente simple de 30 V. Se deben observar las limitaciones para la corriente de salida con el uso de un controlador para los casos en que se necesita mayor potencia.




