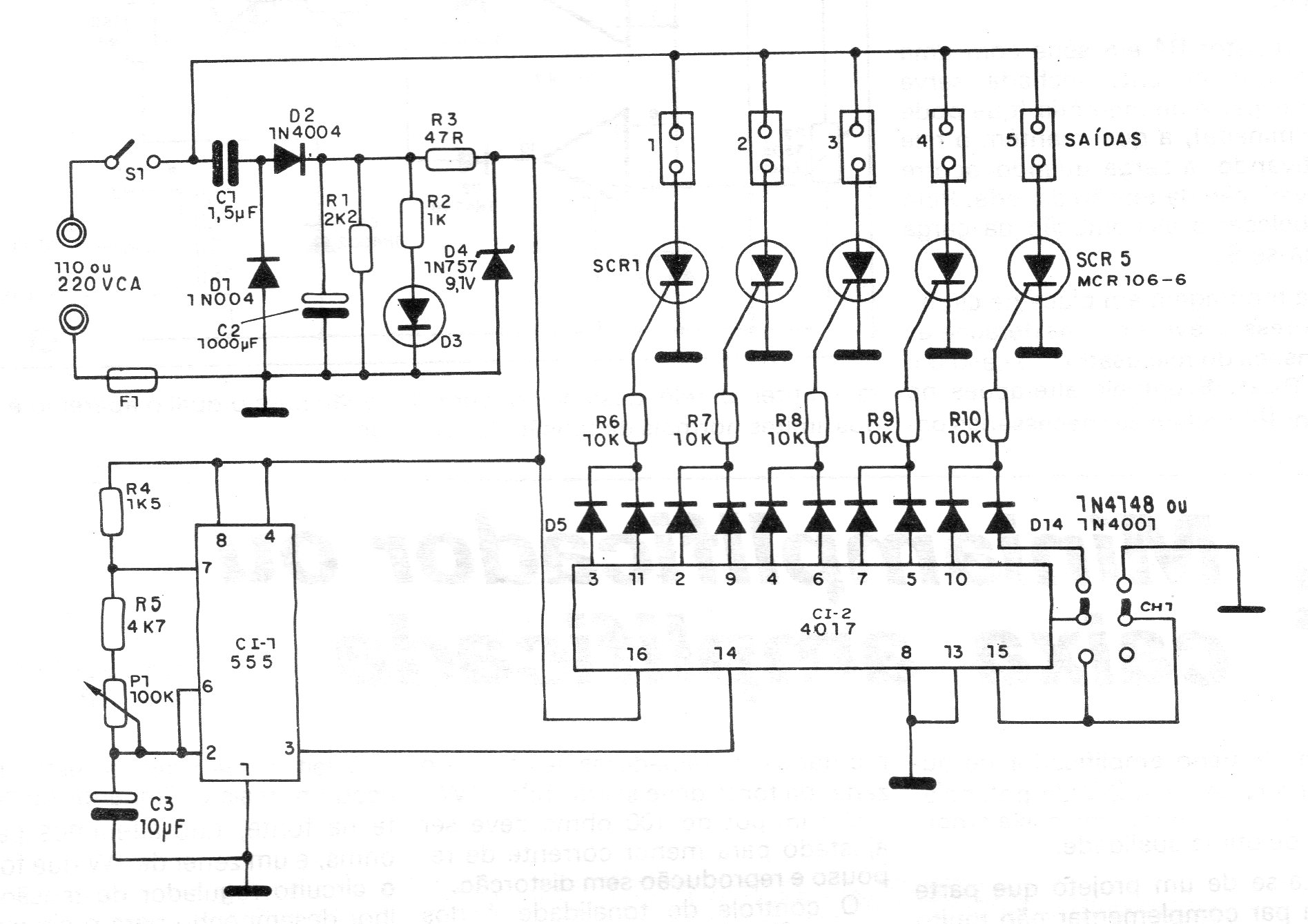
Este circuito controla lámparas incandescentes hasta un total de 200 W por canal. Los SCR deben montarse en disipadores de calor y el circuito incluye una fuente sin transformador. Encontramos este circuito en una documentación de 1987. La velocidad del efecto se ajusta en P1.




