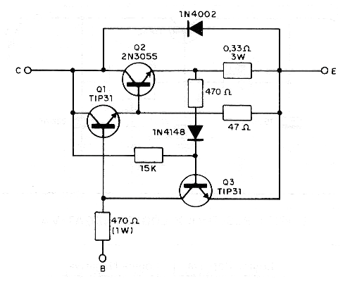
La finalidad de este circuito es proteger el transistor 2N3055 evitando exceso de disipación. Los límites de corriente del circuito son dados por el resistor de 15 k así como por el resistor de 0,33 ohms. Los transistores Q1 y Q2 deben estar dotados de buenos disipadores de calor. Para los valores de componentes indicados la potencia máxima del circuito será del orden de 40 W (20 V x 2 A).




