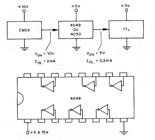
En la figura tenemos el modo de conectar circuitos CMOS con TTL usando el circuito integrado 4049 0u 4050. La alimentación del CMOS puede quedar entre 5 y 15 V mientras que la alimentación TTL es la normal de 5 V. El circuito integrado usado tiene seis variadores que se pueden utilizar de forma independiente, como muestra los pines de la misma figura.




