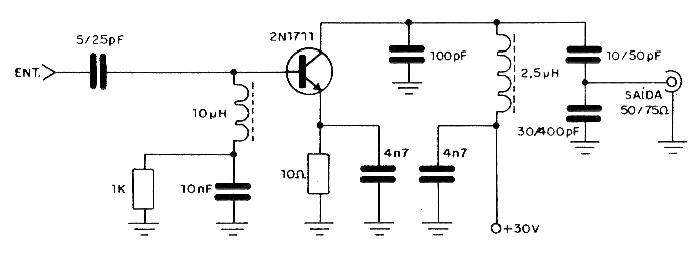
Este circuito de algunos watts de potencia se conecta a la salida de un transmisor a la banda de 40 metros (pero puede ser modificado para operar en los 80 metros) aumentando su potencia. La alimentación debe provenir de una fuente estabilizada de 30 V y el transistor debe montarse en un buen radiador de calor. Los capacitores usados deben ser todos cerámicos. Los cables de entrada deben ser RF (coaxiales) de 50 ó 75 ohms.




