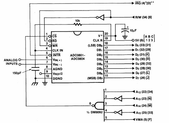
Este circuito de shield de interfaz es del Intersil Databook de 1983. Los componentes usados son poco comunes actualmente. Los ADCs son convertidores digitales de bajo costo. La fuente debe ser de 5 V.

Este circuito de shield de interfaz es del Intersil Databook de 1983. Los componentes usados son poco comunes actualmente. Los ADCs son convertidores digitales de bajo costo. La fuente debe ser de 5 V.
