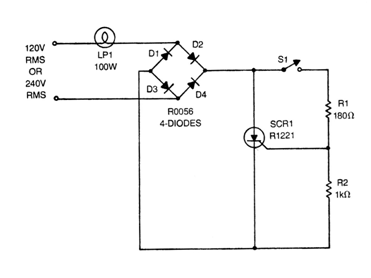
Este circuito sólo sirve para cargas resistivas como lámparas incandescentes. Los diodos del puente pueden ser los 1N4004 o 1N4007 para cargas de hasta 100 W. El SCR puede ser cualquiera de la serie TIC según la carga y la tensión de alimentación. El circuito no tiene aislamiento de la red y la corriente en el conmutador es muy baja.




