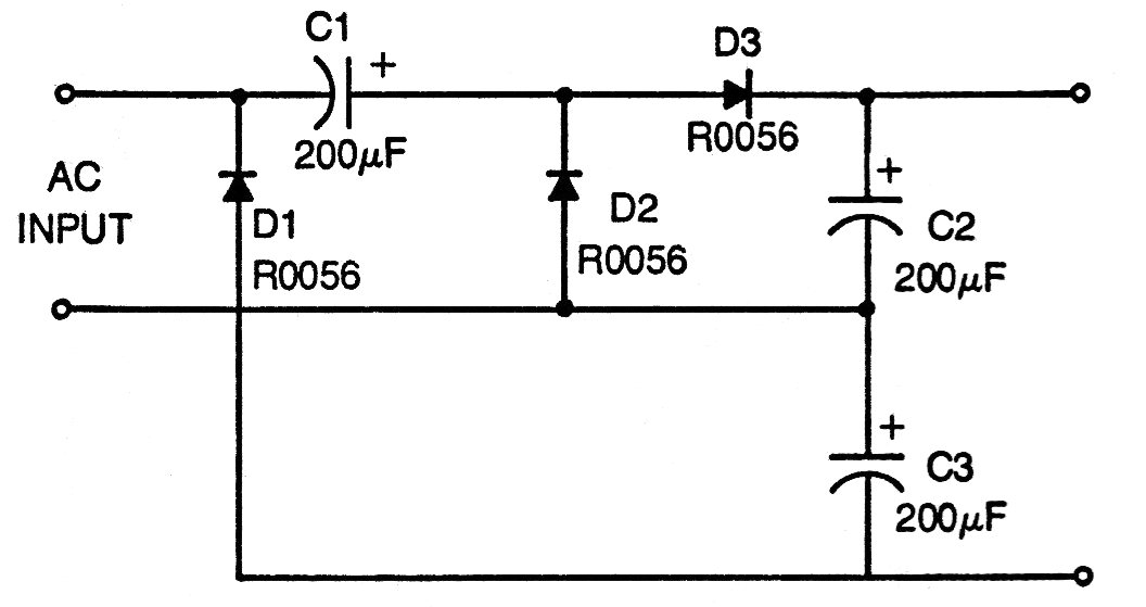
La tensión de salida abierta en este circuito es aproximadamente el triple del valor de pico de la tensión de entrada. Los valores dependen sólo de los diodos usados que pueden ser de la serie 14N4000 y de los capacitores. Los tipos de 220 uF son los indicados. El circuito funciona directamente con la tensión de la red de energía. El circuito es de una antigua publicación de los años 70.




