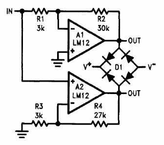
En la figura tenemos el modo de conectar dos amplificadores operacionales de alta potencia LM12 para doblar la tensión de salida. El LM12 puede suministrar hasta 4 A de salida con alimentación simétrica de 40 V. El circuito es del Linear Applications Handbook de National Semiconductor de 1994.




