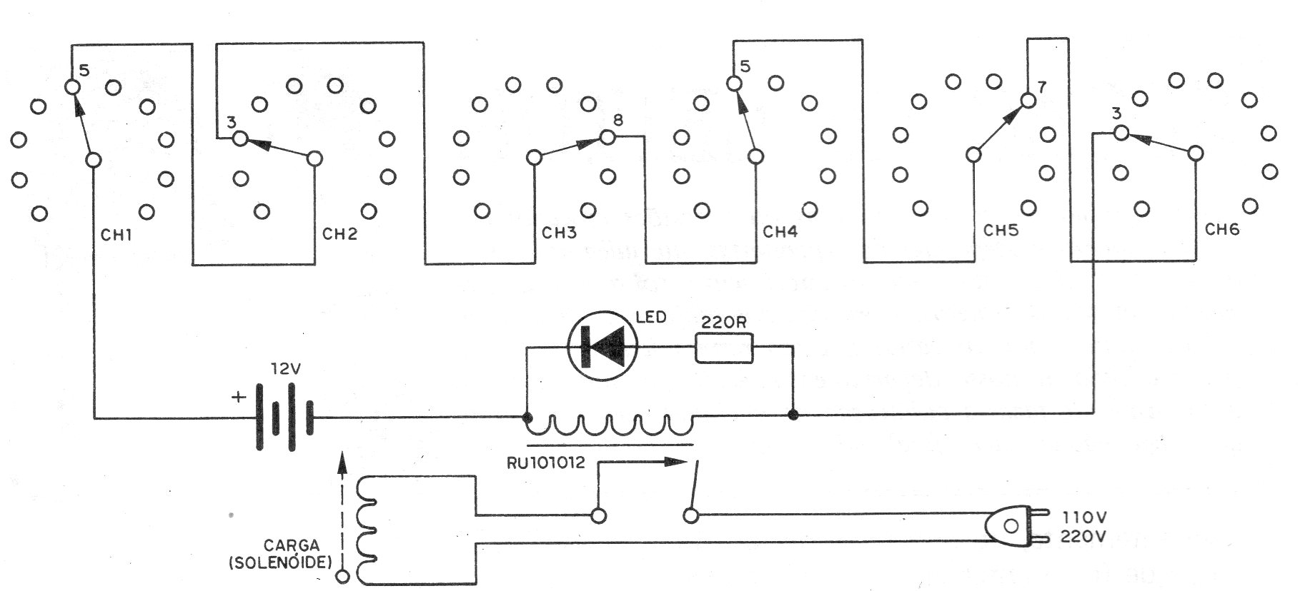
Este circuito de 1977 sólo permite que el solenoide se energice si se selecciona la combinación correcta de posiciones de las llaves. El relé es de 6 o 12 V según la alimentación de baja tensión utilizada. Las llaves utilizadas no son muy comunes actualmente.




