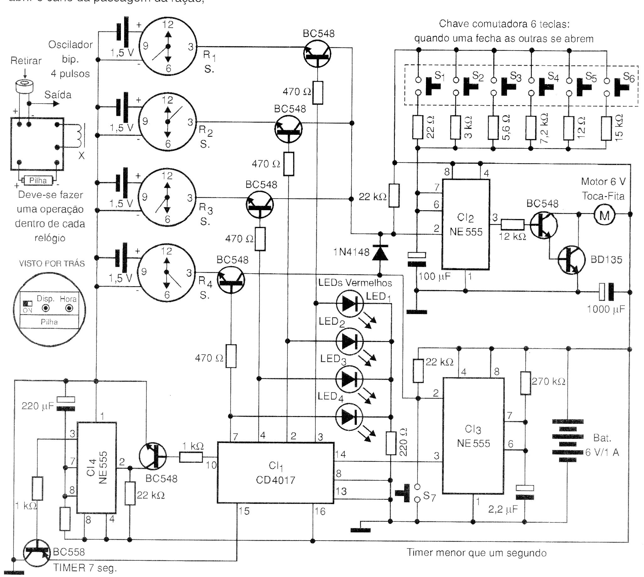
Este circuito fue encontrado en una publicación de 2006. Puede servir de base para una versión microcontrolada que sería más simple. Usted desea hacer un pequeño viaje y no tiene con quién dejar su perro. La solución es un alimentador automático que funciona de la siguiente manera: Los relojes tienen un mecanismo que se abre cuando llega a la hora programada (accionando el bip de 4 pulsos en 1 segundo) después de 40 minutos, rearma. De esta forma el CI-1 tiene la función de encender y apagar estos relojes en secuencia. Los tres primeros relojes R1, R2, y R3 envían pulsos negativos al CI-2 y CI-3 (555). CI-2 es un temporizador que acciona un motor cuya finalidad es abrir el tubo del paso de la ración, cerrándolo a continuación. A través del elástico de retorno el caño es cerrado. CI-3 envía un pulso negativo sólo a CI-3 accionando la salida del pasador 10 de CI-1. CI-4 tiene por función resecar el circuito, inicializando el proceso. Ajuste: 1) La hora del momento en todos los relojes.
2) Disparo de la hora para la alimentación que queda entre:

3) Puntee en S7 y compruebe el LED que se enciende indicando el reloj que va a desbloquear.
La ración usada debe ser dura para deslizarse en la bajada del tubo. Todos los componentes se indican en el diagrama y el BD135 no necesita disipador de calor. El autor tuvo bastante dificultades en el montaje, pero no desistió !.




