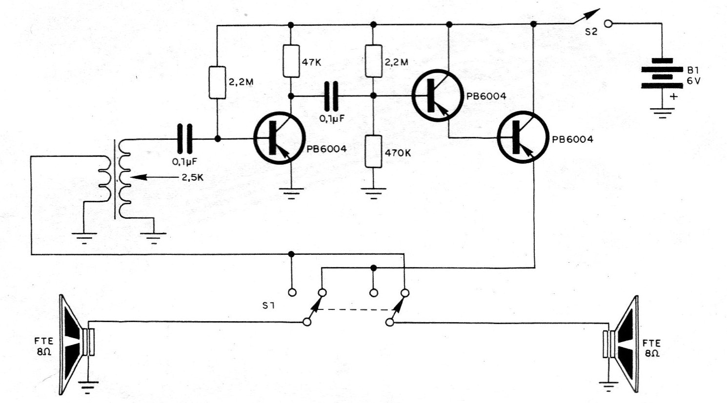
Este circuito fue encontrado en una publicación de 1980. Utiliza sólo 3 transistores de fácil obtención. Se trata de un intercomunicador de dos canales con los dos transistores de salida conectados en la configuración Darlington con el que se obtiene muy buen volumen de salida y excelente sensibilidad. La fuente de alimentación debe proporcionar una tensión de 6 V que puede utilizar 4 pilas que tendrán una durabilidad considerable ya que según el autor el consumo del aparato es de sólo 20 mA. En vista del sistema operar con baja impedancia, la línea de interconexión no necesita ser blindada pero no debe tener más de 50 metros de longitud. El transformador utilizado en este aparato tiene un devanado primario de 2000 ohms y un secundario de acuerdo con el altavoz usado. El circuito completo se muestra en la figura.




