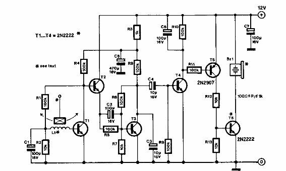
Este sensor de movimiento sensible con sensor inductivo se encontró en una Elektor de los años 90. El circuito usa solo transistores para activar un timbre.

Sensor de movimiento
Este sensor de movimiento sensible con sensor inductivo se encontró en una Elektor de los años 90. El circuito usa solo transistores para activar un timbre.
