Una de las importantes necesidades de proyectos con microcontroladores es asegurar el aislamiento entre el microcontrolador y los circuitos sensores entrada o actuadores que se usa en salidas. En otras palabras, utilice siempre, por seguridad, shields aislados. En este artículo que nos centramos en una selección de Shields aislados los circuitos.
Existen varias técnicas para aislar un shield de un microcontrolador.
Podemos hacerlo a través de transformadores si las señales a ser transferidos son pulsos o corriente alterna. Podemos utilizar capacitores en estos casos también, y la seguridad es limitada en el aislamiento a la tensión de trabajo de los capacitores, pero también podemos utilizar acopladores ópticos.
De hecho, el más utilizado es la solución que hace uso de acopladores ópticos obtenidos en la forma de integrados de acoplamiento óptico que consisten en tener un LED que emite la señal al receptor, que tanto en un shield como en una entrada salida de shield.
En este artículo damos algunos circuitos prácticos inmediatos que pueden utilizarse en shields para microcontroladores comunes como los Arduitos, PICs, MSP430 y muchos otros.
Con el uso directo o la adaptación de estos shields proyectos de IoT, usables, automatización, seguridad, robótica y más se pueden desarrollar con facilidad.
Muchos de estos circuitos pueden accederse de forma aislada en nuestra sección banco de circuitos. La ventaja de este artículo es que se organizan en un solo lugar.
Consideraciones iniciales
Los microcontroladores tienen entradas y salidas de 3.3 V y 5 V que deben usarse para alimentar los shields en algunos casos o incluso separar conductores LEDs o acoplador óptico.
Eso significa que en el caso de la utilización de LEDs con resistencias en serie cuyos valores pueden estar entre 100 y 220 ohms para las salidas 3,3 V y 330 ohmios a 470 ohms para las salidas de 5 V.
Uno debe tomar siempre en cuenta la máxima corriente que la salida del microcontrolador puede proporcionar en estos casos.
Opto-aislador en el Control SCR (control de potencia)
Con el siguiente circuito se puede controlar un SCR como el MCR106 u otro de la serie como el TIC106 con una señal aplicada al 4N26 (acoplador óptico).
Obtener excelente aislamiento y el circuito puede controlar cargas de alta corriente. El transistor del acoplador debe ser alimentado con tensiones de 6 a 12 V que debe provenir de fuente independiente del microcontrolador, para mantener el aislamiento. El circuito también funciona con 220 V usando SCR adecuado. Para utilizar como shield, utilizar en serie con el LED del acoplador un resistor de 100 a 220 Ohm con salidas de 3,3 V o 330 ohmios con salidas de 5V.

Acoplador óptico con gatillo
El circuito que se muestra tiene un activador que funciona con un relé de conmutación de alta velocidad sin repiques. En la publicación original se utilizó una lámpara de 400 mA pero como shield se recomienda utilizar un LED como en el circuito anterior. El circuito acciona un relé de 100 ohm para tensión de 9 V pero puede ser utilizado otro relé. El circuito tiene su acción de activación dada por el resistor de 10 Ohm que alimenta la señal de los transistores. Transistor de conmutación equivalente como el 2N2222 puede utilizarse en esta aplicación.

Acoplador óptico de 10 mm
Este circuito se utiliza en un shield o un acoplador óptico en que la distancia entre el emisor y el foto transistor puede llegar a 10 mm con el diseño antiguo original con la lámpara. El circuito puede ser alimentado por tensión de 9 V y el relé utilizado es de 100 mA. Puede ser utilizado como transistores equivalentes el BC548. La lámpara puede sustituirse por una equivalente o incluso LED de potencia con características ópticas (lentes). El circuito es sugerido por Texas Instruments en su manual de optoelectrónica. En lugar de la lámpara sugieren un LED blanco con el resistor de 47 ohms a 220 ohms en serie, controlado por la salida del microcontrolador, obteniendo así el aislamiento deseado.

Shield óptico con el 4093
El sensor consiste en un acoplador óptico con un LED y un foto transistor. En un Shield el LED es excitado por el microcontrolador y no como es en el circuito original con la misma fuente. El circuito se activa cuando la luz se interrumpe. En la salida (PIN 10) ya tienen alimentación y paso de potencia para cargas más grandes, por ejemplo, un relé, el motor o el solenoide. El cable para el sensor debe ser corto. El circuito no debe ser alimentado por fuente sin transformador. El LED puede ser excitado por un microcontrolador, en el cual caso el circuito actúa como un shield.

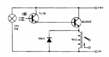
Shield óptico con transistores
La interrupción de la luz de la lámpara o LED que se centra en el fototransistor dispara el relé. El circuito es de corto alcance (unos pocos centímetros) que sirven en los controles de llaves ópticas u detector de posición. Una posible aplicación es un interruptor de límite o llave en un detector de posición de una parte mecánica. El circuito se alimenta con 9 V, utilizando un relé de 6 V ya que el resistor de 10 Ohm proporciona la caída de tensión para este componente. Los transistores pueden sustituirse por equivalente como el BC548 y para el fototransistor también se puede utilizar equivalente. Este circuito es sugerido por Texas Instruments. Como shield aislado, utilice un LED como emisor en serie con un resistor de 100 a 330 ohms como la salida del microcontrolador.

Shield con acoplador óptico
Este circuito te da una idea de cómo podemos utilizar un acoplador con un transistor para interfaz con una entrada TTL o un microcontrolador. La fuente de alimentación debe hacerse con 5 V y la excitación puede provenir de cualquier circuito lógico de 3.3 o 5 V. utilizando R1 de valor adecuado. La alimentación debe hacerse con 5 V y se pueden utilizar amplificadores operacionales equivalente.

Shield con acoplador óptico y Transistor
Este circuito fue obtenido en mi libro Mechatronics Sourcebook. Muestra cómo utilizar un acoplador óptico común como el 4N25 para activar un relé, en una aplicación como shield óptico aislado. El transistor driver es el BC548 o equivalente y relés de 6 a 24 V pueden ser controlados. La ventaja de este circuito es que la tierra de acoplamiento de emisor LED puede ser diferente de la tierra de los transistores de la unidad, asegurando el aislamiento entre circuitos. Puede ser la resistencia de 220 ohmios o menos con microcontroladores de 3.3 V de salida y 330 ohmios con 5 V de salida.

Protector de gatillo aislado de potencia Triac
Como la mayoría de los shields este es un relé de estado sólido (SSR) que resulta en un shield aislado. El transistor puede ser el BC548 y el Triac cualquier de la serie TIC según la tensión de alimentación y corriente de carga suministrada. El acoplador óptico puede ser cualquier que tenga fototransistor como sensor interno. El Triac debe ser dotado con un buen radiador de calor. El circuito sirve para 110 V y 220 V, como el Triac. El circuito puede controlarse con salidas TTL y CMOS con el cambio de R1, cuando sea necesario. En lugar de S1 señal puede provenir de un microcontrolador usando R1 de valor adecuado.

Shield de gatillo aislado de potencia Triac (II)
Este Shield o relé de estado sólido (SSR) fue encontrado en una Electronics Now de 1995. El transistor puede ser el BC548 y el Triac cualquier de la serie TIC según la tensión de alimentación y corriente de carga suministrada. El acoplador óptico puede ser cualquier tipo que tenga fototransistor como sensor interno. El Triac debe ser dotado con un buen radiador de calor. El circuito sirve para 110 V y 220 V, como el Triac. El circuito puede ser controlado por microcontroladores, TTL y CMOS con el cambio de R1, cuando sea necesario.

Shield de gatillo aislado de potencia Triac (III)
Este circuito de relé o Shield de relé de estado sólido (SSR) es de una Electronics Now de 1995. Con él podemos conectar cargas de potencia utilizando señales de entrada CMOS o TTL. Finalmente, R2 debe ser cambiado de acurdo con la señal de entrada. TR1 puede ser cualquier de la serie TIC o Triac con corriente según la carga y el voltaje según la fuente de alimentación, que también puede ser de 220/240 V, el transistor puede ser lo BC558 y el transformador de 6 V x 100 mA o más. En este circuito tenemos un circuito que se deriva la tensión de control de la red eléctrica por lo que es DC para alimentar el acoplador. El Triac debe tener radiador de calor. El resistor debe tener valor según el tipo de señal de control.




